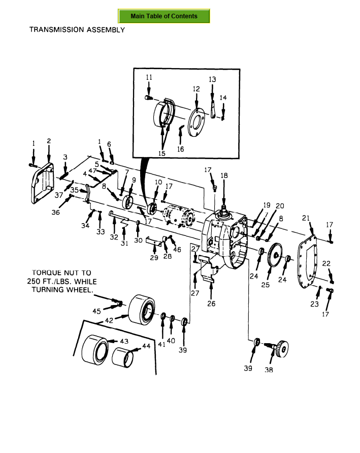
CLARK WP30 WP40 WP45 PALLET JACK WALKIE FORKLIFT WORKSHOP SERVICE REPAIR MANUAL
⚫ Instant Download
⚫ No Physical Shipping

Guarantee safe & secure checkout

CLARK WP30 WP40 WP45 PALLET JACK WALKIE FORKLIFT WORKSHOP SERVICE REPAIR MANUAL
CLARK WP30 WP40 WP45 PALLET JACK WALKIE FORKLIFT WORKSHOP SERVICE REPAIR MANUAL
LANGUAGE: ENGLISH
FORMAT: PDF (SCANNED PDF)
PAGES: 732
FILE SIZE: 74.2MB
MODEL COVERED:
WP30:
SM-729
NOVEMBER, 2013
WP40:
SM-611 - AUGUST, 1996
AM-560 - 1989
WP45
SM-698
CONTENTS:
FOREWARD
HOW TO USE THIS MANUAL
SAFETY SIGNS AND MESSAGES
USER SAFE MAINTENANCE PRACTICES GROUP
PM PLANNED MAINTENANCE PROGRAM
12 BATTERY REMOVAL, CLEANING AND CHARGING
13 DIRECTION I ACCELERATOR CONTROL
16 ELECTRIC MOTOR MAINTENANCE
16 PUMP MOTOR
1 6 DRIVE MOTOR
17 CONTACTOR PANEL
2 0 DRIVE UNIT
22 WHEELS AND TIRES
23 BRAKES
34 LIFT MECHANISM
38 MACHINE JACKING & BLOCKING
40 TRUCK DATA, SPECIFICATIONS
EXTRAS INCLUDED:
WP30 & WP45 OPERATOR'S MANUAL INCLUDED
CLARK FAULT CODES
CLARK GEN2 DASH CODES
CLARK FILTER DCC CROSS REF