HINO 700 SERIES TRUCK ELECTRICAL CIRCUITS AND WIRING MANUAL
⚫ Instant Download
⚫ No Physical Shipping

Guarantee safe & secure checkout

HINO 700 SERIES TRUCK ELECTRICAL CIRCUITS AND WIRING MANUAL
HINO 700 SERIES TRUCK ELECTRICAL CIRCUITS AND WIRING MANUAL
LANGUAGE: ENGLISH
FORMAT: PDF
PAGES: 288
FILE SIZE: 11MB
VEHICLE MODEL COVERED:
HINO 700 - FR1E, FS1E, FY1E, SH1E, SS1E AND ZS1E SERIES
ENGINE COVERED:
12.913L 4 CYCLE, VERTICAL, 6 CYLINDER, IN-LINE OVERHEAD CAMSHAFT, WATER-COOLED, DIRECT INJECTION, TURBOCHARGED WITH INTERCOOLER, E13C-TI DIESEL ENGINE
CONTENTS:
GENERAL INTRODUCTION
ENGINE INTRODUCTION
TIGHTENING TORQUE
SPECIAL SERVICE TOOLS
ENGINE MECHANICAL
AIR INTAKE SYSTEM
EXHAUST SYSTEM
LUBRICATING SYSTEM
COOLING SYSTEM
FUEL SYSTEM
TURBOCHARGER SYSTEM
ALTERNATOR (24V-60A)
ALTERNATOR (24V-90A)
STARTER SYSTEM
AIR COMPRESSOR (340CM3 TYPE)
AIR COMPRESSOR (496CM3 TYPE)
ENGINE P.T.O. (POWER TAKE-OFF)
ENGINE RETARDER SYSTEM
FUEL CONTROL SYSTEM
COMMON RAIL SYSTEM
FUEL INJECTION SYSTEM
CLUTCH MAIN UNIT
CLUTCH CONTROL SYSTEM
CLUTCH MASTER CYLINDER
CLUTCH BOOSTER SYSTEM
TRANSMISSION MAIN UNIT
GEAR SHIFT HOUSING
TRANSMISSION/TRANSFER CONTROL
PROPELLER SHAFT
DIFFERENTIAL EQUIPMENT
DIFFERENTIAL CARRIER
BRAKE EQUIPMENT
SERVICE BRAKE SYSTEM
ABS (ANTI-LOCK BRAKE SYSTEM)
ES START (EASY & SMOOTH START SYSTEM)
STEERING EQUIPMENT
POWER STEERING SYSTEM
FRONT AXLE-REAR AXLE
WHEEL & TIRE SYSTEM
SUSPENSION SYSTEM
CHASSIS FRAME SYSTEM
COUPLER (5TH WHEEL)
PINTLE HOOK SYSTEM
CAB-DOOR-SEAT
INSTRUMENT PANEL
HEATER AND AIR CONDITIONER
WINDSHIELD-GLASS
ELECTRICAL EQUIPMENT
CAN COMMUNICATION
BRAKE CONTROL (ABS: WABCO MAKE)
BRAKE CONTROL (ES START) DN03-002
TROUBLESHOOTING
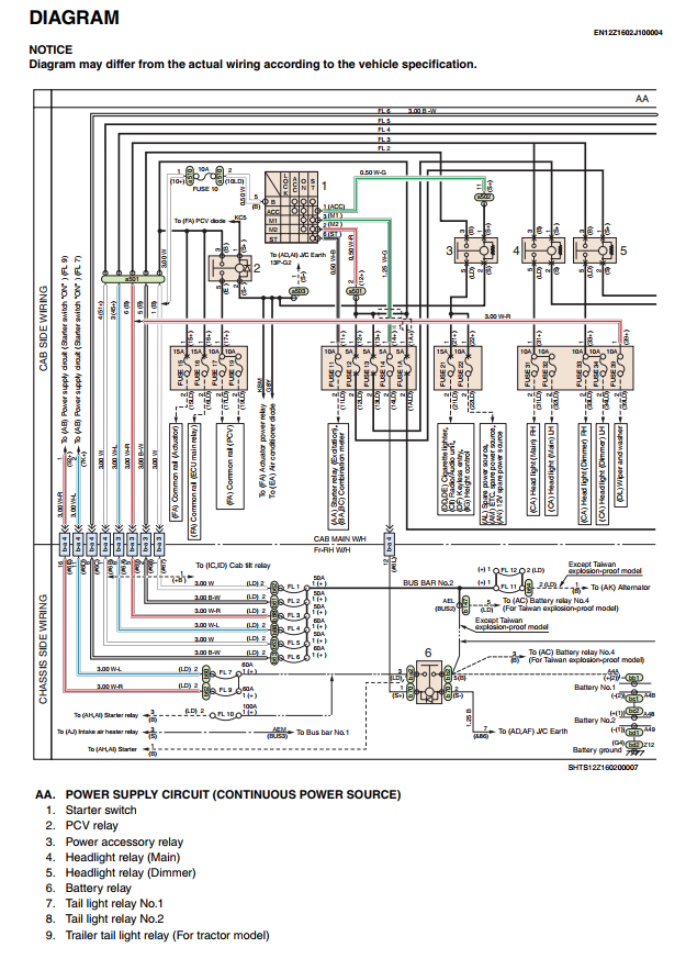
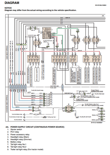
ELECTRIC WIRE DIAGRAMS