HONDA FL 250 AND FL 350R ODYSSEY 350 ATV WORKSHOP SHOP SERVICE REPAIR MANUAL
⚫ Instant Download
⚫ No Physical Shipping
Regular price
$19.90
Sale price
$19.90
Regular price
Unit price

Guarantee safe & secure checkout

HONDA FL 250 AND FL 350R ODYSSEY 350 ATV WORKSHOP SHOP SERVICE REPAIR MANUAL
Regular price
$19.90
Sale price
$19.90
Regular price
Unit price
Product description
HONDA FL 250 AND FL 350R ODYSSEY 350 ATV WORKSHOP SHOP SERVICE REPAIR MANUAL
LANGUAGE: ENGLISH
FORMAT: PDF (SCANNED PDF)
PAGES: 327
FILE SIZE: 21.9MB
MODEL COVERED:
FL250
FL350R
CONTENTS:
GENERAL INFORMATION
TECHNICAL FEATURES
SPECIAL TOOLS
SERVICE DATA
TECHNICAL DATA
GENERAL DATA
ENGINE REMOVAL/INSTALLATION
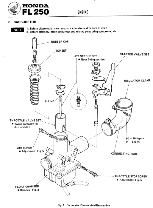
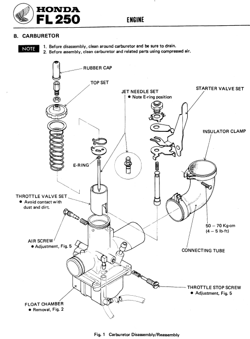
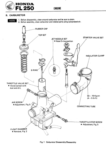
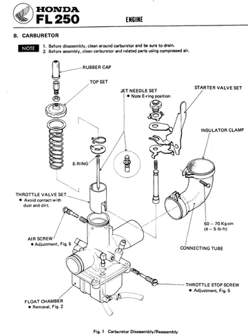
ENGINE
FRAME
ELECTRICAL DIAGRAM