KAWASAKI JETSKI STX12F STX 12F WORKSHOP SERVICE REPAIR, OWNER'S MANUAL
⚫ Instant Download
⚫ No Physical Shipping

Guarantee safe & secure checkout

KAWASAKI JETSKI STX12F STX 12F WORKSHOP SERVICE REPAIR, OWNER'S MANUAL
KAWASAKI JETSKI STX12F STX 12F WORKSHOP SERVICE REPAIR, OWNER'S MANUAL
LANGUAGE: ENGLISH
FORMAT: PDF
PAGES: 480
FILE SIZE: 26.2MB
ENGINE COVERED:
1199 mL 4-STROKE, 4-CYLINDER, WATER-COOLED DOHC
CONTENTS:
GENERAL INFORMATION
PERIODIC MAINTENANCE
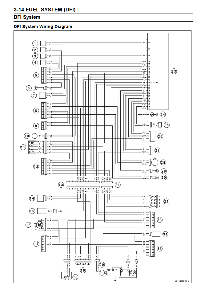
FUEL SYSTEM
DIRECT FUEL INJECTION
ENGINE LUBRICATION
EXHAUST SYSTEM
ENGINE TOP END
ENGINE REMOVAL/INSTALLATION
ENGINE BOTTOM END
CYLINDERHEAD/PISTON
VALVE CLEARANCE
COOLING SYSTEM
BILGE SYSTEM
DRIVE SYSTEM
PUMP & IMPELLER SYSTEM
STEERING SYSTEM
HULL/ENGINE HOOD SYSTEM
ELECTRICAL SYSTEM
STARTER MOTOR/RELAY
CGARGING SYSTEM
IGNITION SYSTEM
STORAGE SYSTEM
BODY/ACCESSORIES
SPECIAL TOOLS/TORQUE
APPENDIX
EXTRAS INCLUDED:
DIRECT FUEL INJECTION DIAGNOSTIC SOFTWARE MANUAL
OWNER'S MANUAL