KTM 125 SX 200 EXC BIKE ENGINE SERVICE REPAIR, PARTS MANUAL
⚫ Instant Download
⚫ No Physical Shipping
Regular price
$21.90
Sale price
$21.90
Regular price
Unit price

Guarantee safe & secure checkout

KTM 125 SX 200 EXC BIKE ENGINE SERVICE REPAIR, PARTS MANUAL
Regular price
$21.90
Sale price
$21.90
Regular price
Unit price
Product description
KTM 125 SX 200 EXC BIKE ENGINE SERVICE REPAIR, PARTS MANUAL
LANGUAGE: ENGLISH
FORMAT: PDF
PAGES: 217
FILE SIZE: 17.7MB
MODEL COVERED:
KTM 125 SX 200 EXC BIKE
CONTENTS:
GENERAL INFORMATION
SERVICE INFORMATION
REMOVING & REFITTING ENGINE
DISASSEMBLING THE ENGINE
SERVICING COMPONENTS
ASSEMBLING THE ENGINE
ELECTRICAL
TROUBLESHOOTING
TECHNICAL SPECIFICATION
MAINTENCE
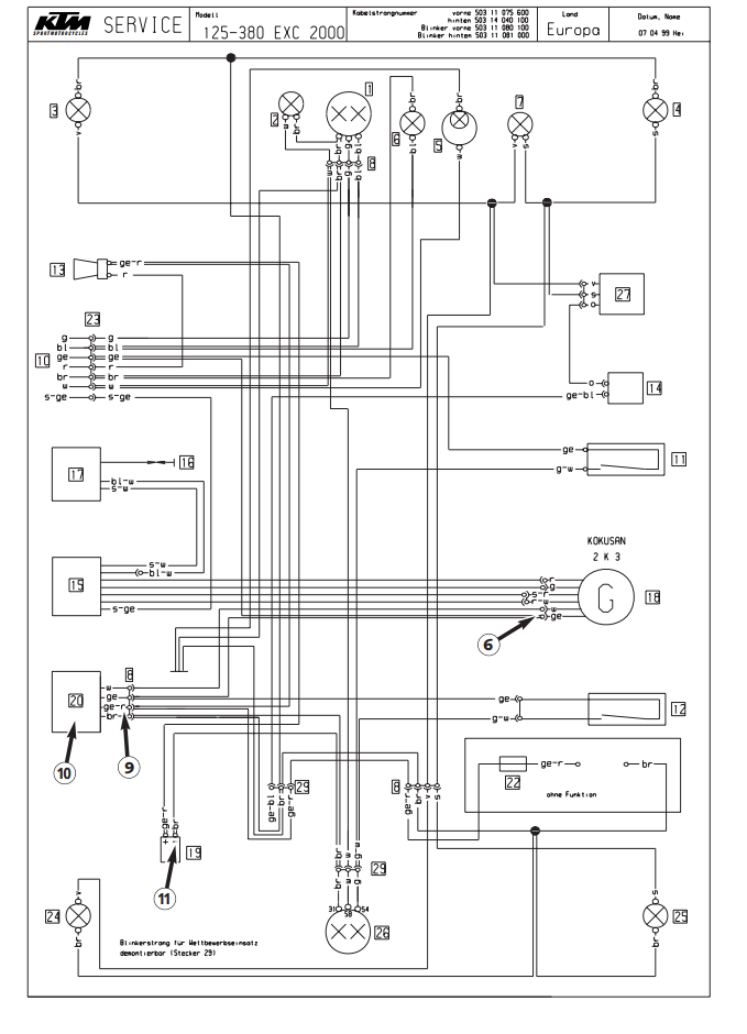
WIRING DIAGRAM
PARTS LIST