MITSUBISHI 4G9 SERIES 4G91 4G92 4G93 ENGINE WORKSHOP SERVICE REPAIR MANUAL
⚫ Instant Download
⚫ No Physical Shipping
Regular price
$19.90
Sale price
$19.90
Regular price
Unit price

Guarantee safe & secure checkout

MITSUBISHI 4G9 SERIES 4G91 4G92 4G93 ENGINE WORKSHOP SERVICE REPAIR MANUAL
Regular price
$19.90
Sale price
$19.90
Regular price
Unit price
Product description
MITSUBISHI 4G9 SERIES 4G91 4G92 4G93 ENGINE WORKSHOP SERVICE REPAIR MANUAL
LANGUAGE: ENGLISH
FORMAT: PDF
PAGES: 741
FILE SIZE: 19.9MB
CONTENTS:
GENERAL INFORMATION
SPECIFICATIONS
SPECIAL TOOLS
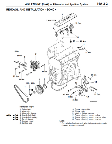
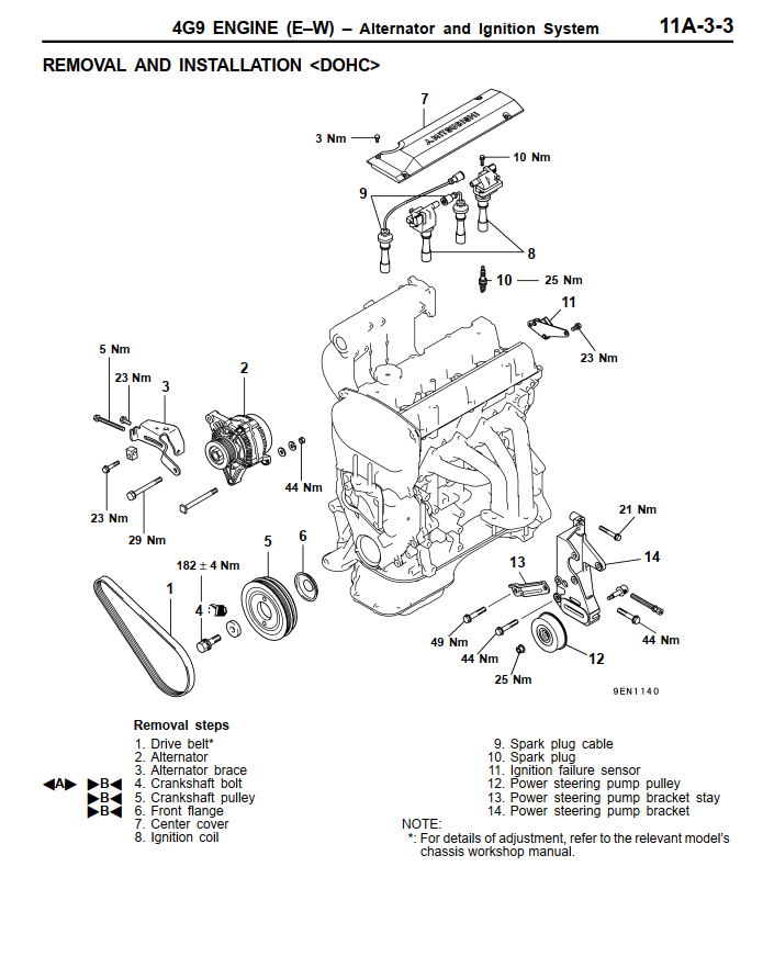
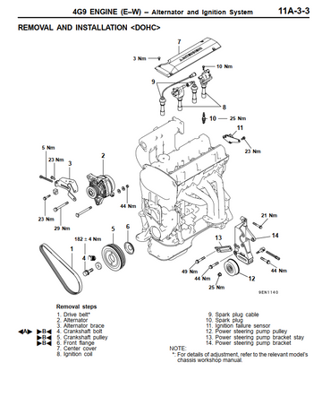
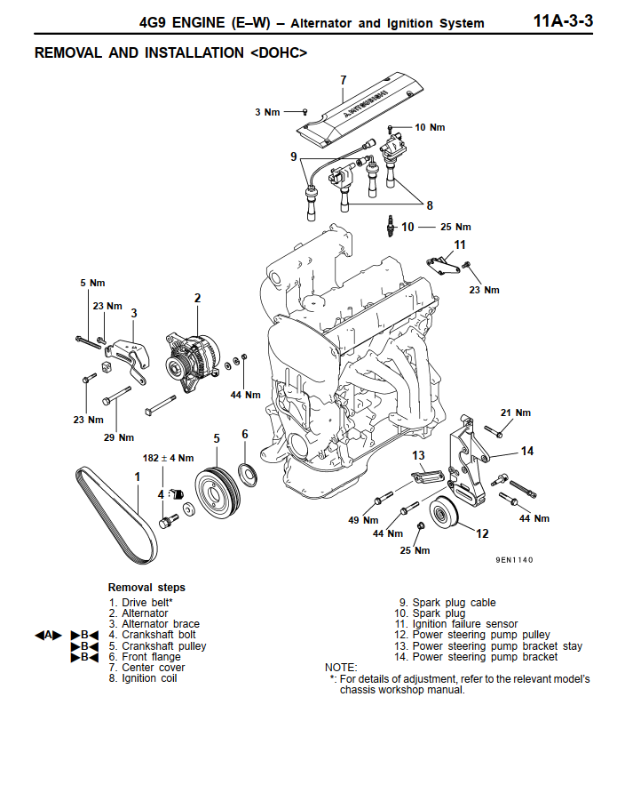
ALTERNATOR AND IGNITION SYSTEM
TIMING BELT
FUEL AND EMISSION CONTROL SYSTEM
INTAKE AND EXHAUST MANIFOLD
WATER PUMP AND WATER HOSE
ROCKER ARMS AND CAMSHAFTS
CYLINDER HEAD AND VALVES
FRONT CASE AND OIL PUMP
PISTON AND CONNECTING ROD
CRANKSHAFT, CYLINDER BLOCK, FLYWHEEL AND DRIVE PLATE