NISSAN MAXIMA A35 3.5L V6 2009-2011 WORKSHOP REPAIR SERVICE MANUAL
⚫ Instant Download
⚫ No Physical Shipping

Guarantee safe & secure checkout

NISSAN MAXIMA A35 3.5L V6 2009-2011 WORKSHOP REPAIR SERVICE MANUAL
NISSAN MAXIMA A35 3.5L V6 2009-2011 WORKSHOP REPAIR SERVICE MANUAL
LANGUAGE: ENGLISH
FORMAT: PDF
PAGES: OVER 3,000
FILE SIZE: 225MB
ENGINE COVERED:
3.5L VQ35DE V6
CONTENTS:
GENERAL INFORMATION
MAINTENANCE
ENGINE MECHANICAL
LUBRICATION
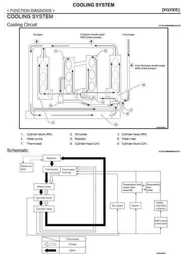
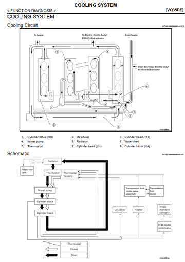
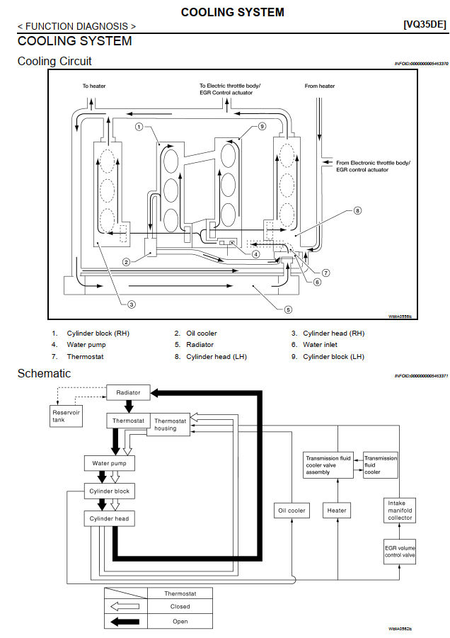
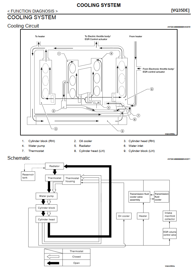
COOLING SYSTEM
FUEL SYSTEM
EMISSION CONTROL
ACCELERATOR CONTROL
EXHAUST SYSTEM
CLUTCH
TRANSMISSION
BODY CONTROL SYSTEM
BODY REPAIR MANUAL
CRUISE CONTROL
LAN SYSTEM
FRONT AND REAR AXLE
SUSPENSION
BRAKE SYSTEM
STEERING SYSTEM
BODY AND ACCESSORIES
INTERIOR
EXTERIOR
HEATER AND AIR CONDITIONER
ELECTRICAL SYSTEM
ALPHABETICAL INDEX