SAME RUBIN 160 180 200 TRACTOR WORKSHOP SERVICE REPAIR MANUAL
⚫ Instant Download
⚫ No Physical Shipping
Regular price
$19.90
Sale price
$19.90
Regular price
Unit price

Guarantee safe & secure checkout

SAME RUBIN 160 180 200 TRACTOR WORKSHOP SERVICE REPAIR MANUAL
Regular price
$19.90
Sale price
$19.90
Regular price
Unit price
Product description
SAME RUBIN 160 180 200 TRACTOR WORKSHOP SERVICE REPAIR MANUAL
LANGUAGE: ENGLISH
FORMAT: PDF
PAGES: 804
FILE SIZE: 23.1MB
MODEL COVERED:
RUBIN 160
RUBIN 180
RUBIN 200
CONTENTS:
GENERAL INFORMATION
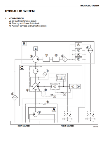
HYDRAULIC SYSTEM
ELECTRICAL SYSTEM
METHODS, CHECKS, AND ADJUSTMENTS REGARDING THE EXTERNAL COMPONENTS
ENGINE AND TRANSMISSION-REMOVAL AND OVERHAUL