SUZUKI GS500 SERIES BIKE 1990-2009 WORKSHOP SERVICE REPAIR, OWNER'SMANUAL
⚫ Instant Download
⚫ No Physical Shipping

Guarantee safe & secure checkout

SUZUKI GS500 SERIES BIKE 1990-2009 WORKSHOP SERVICE REPAIR, OWNER'SMANUAL
SUZUKI GS500 SERIES BIKE 1990-2009 WORKSHOP SERVICE REPAIR, OWNER'SMANUAL
LANGUAGE: ENGLISH
FORMAT: PDF (SCANNED PDF)
PAGES: 661
FILE SIZE: 30.3MB
MODEL COVERED:
GS500EL (1990-MODEL)
GS500EM (1991-MODEL)
GS500EN (1992-MODEL)
GS500EP (1993-MODEL)
GS500ER (1994-MODEL)
GS500ES (1995-MODEL)
GS500ET (1996-MODEL)
GS500EV (1997-MODEL)
GS500EW/X/Y (1998/1999/2000-MODELS)
GS500K1/K2 (2001/2002-MODELS)
GS500K3 (2003-MODEL)
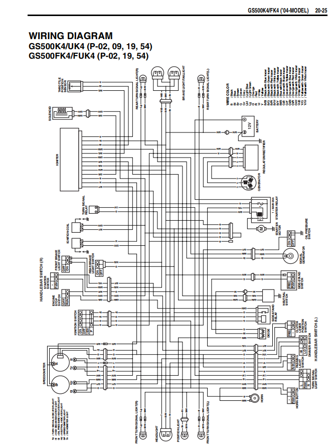
GS500K4/FK4 (2004-MODEL)
GS500K5/UK5/FK5/FUK5 (2005-MODEL)
GS500/U/F/FUK6-K7 (2006-2007 MODELS)
SUPPLEMENTS
GS500FK8 (Â’2008- MODEL)
GS500FK9 (2009-MODEL)
ENGINE COVERED:
487 cc 4 STROKE AIR COOLED DOHC TDCC
CONTENTS:
GENERAL INFORMATION
MAINTENANCE
ENGINE
FUEL SYSTEM
LUBRICATION SYSTEM
ELECTRICAL SYSTEM
IGNITION SYSTEM
CHARGING SYSTEM
STARTER SYSTEM
COMBINATION METER
BODY AND ACCESSORIES
BRAKE SYSTEM
WHEEL AND TIRE
SUSPENSION
SERVICE INFORMATION
TROUBLESHOOTING
EMISSION CONTROL
WIRE HARNESS
SPECIAL TOOLS
SERVICE DATA
WIRING DIAGRAM
OWNER'S MANUAL