SUZUKI KINGQUAD 300 4X4 LT-F300F ATV WORKSHOP SERVICE REPAIR, WIRING MANUAL
⚫ Instant Download
⚫ No Physical Shipping

Guarantee safe & secure checkout

SUZUKI KINGQUAD 300 4X4 LT-F300F ATV WORKSHOP SERVICE REPAIR, WIRING MANUAL
SUZUKI KINGQUAD 300 4X4 LT-F300F ATV WORKSHOP SERVICE REPAIR, WIRING MANUAL
LANGUAGE: ENGLISH
FORMAT: PDF
PAGES: 384
FILE SIZE: 126MB
ENGINE COVERED:
280 cc 1-CYLINDER, 4-STROKE, AIR-COOLED WITH OIL COOLER, OHC
CONTENTS:
GENERAL INFORMATION
MAINTENANCE
ENGINE REMOVAL
ENGINE INSTALLATION
ENGINE DISASSEMBLY
COMPONENT INSPECTION
CYLINDER-CYLINDER HEAD
CAMSHAFT-PISTON-CONROD
CRANKSHAFT-CLUTCH
GENERATOR-OIL PUMP
TRANSMISSION SYSTEM
RECOIL STARTER
ENGINE ASSEMBLY
DRIVELINE SYSTEM
AXLE-DIFFERENTIALS
FUEL TANK-VALVE-PUMP
CARBURETOR SYSTEM
LUBRICATION SYSTEM
EXTERIOR PARTS
FRONT & REAR TIRES
BRAKE SYSTEM
SUSPENSION SYSTEM
STEERING SYSTEM
ELECTRICAL COMPONENTS
CHARGING SYSTEM
STARTER SYSTEM
IGNITION SYSTEM
SPEEDOMETER-LAMPS-RELAY
BATTERY AND SWITCHES
TROUBLESHOOTING
SPECIAL TOOLS
TIGHTENING TORQUE
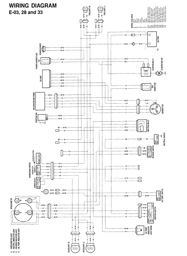
WIRING DIAGRAM