TORO GROUNDSMASTER 300 SERIES MOWER 345 322D 325D WORKSHOP SERVICE MANUAL
⚫ Instant Download
⚫ No Physical Shipping

Guarantee safe & secure checkout

TORO GROUNDSMASTER 300 SERIES MOWER 345 322D 325D WORKSHOP SERVICE MANUAL
TORO GROUNDSMASTER 300 SERIES MOWER 345 322D 325D WORKSHOP SERVICE MANUAL
LANGUAGE: ENGLISH
FORMAT: PDF
PAGES: 402
FILE SIZE: 14.4MB
MODEL COVERED:
GROUNDSMASTER 345
GROUNDSMASTER 322-D
GROUNDSMASTER 325-D
MODEL 30788 AND 30795
CONTENTS:
SAFETY
PRODUCT RECORDS AND MANUALS
FORD VSG-411 GASOLINE ENGINE
MITSUBISHI K3D DIESEL ENGINE
KUBOTA DIESEL ENGINE
HYDRAULIC SYSTEM
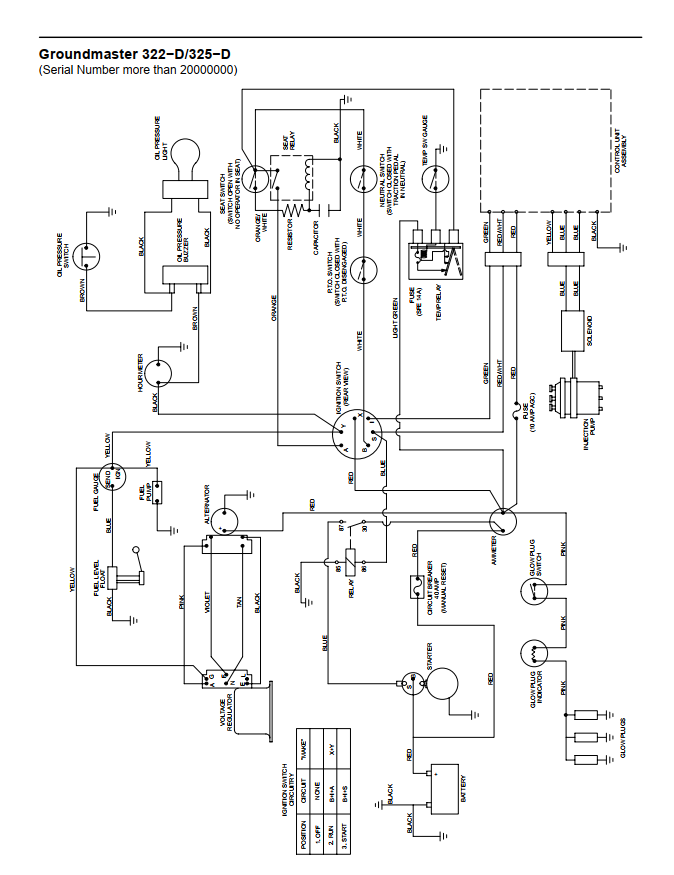
ELECTRICAL SYSTEM
ELECTRICAL SYSTEM (S/N 21000000 & UP)
DIFFERENTIAL AXLE
STEERING AND BRAKES
TRANSMISSION COUPLER AND PTO
4WD REAR AXLE
4WD REAR AXLE
72″ CUTTING UNITS
TRIFLEX 88″ CUTTING UNIT
GUARDIAN 72″ RECYCLER CUTTING UNIT