TORO WORKMAN MD MDX GTX UTILITY VEHICLE WORKSHOP SERVICE REPAIR, OPERATOR'S MANUAL
⚫ Instant Download
⚫ No Physical Shipping
Regular price
$22.90
Sale price
$22.90
Regular price
Unit price

Guarantee safe & secure checkout

TORO WORKMAN MD MDX GTX UTILITY VEHICLE WORKSHOP SERVICE REPAIR, OPERATOR'S MANUAL
Regular price
$22.90
Sale price
$22.90
Regular price
Unit price
Product description
TORO WORKMAN MD MDX GTX UTILITY VEHICLE WORKSHOP SERVICE REPAIR, OPERATOR'S MANUAL
LANGUAGE: ENGLISH
FORMAT: PDF
PAGES: OVER 1,000
FILE SIZE: 106MB
MODEL COVERED:
MD
MDX
GTX
CONTENTS:
SAFETY
PRODUCT RECORDS AND MAINTENANCE
BRIGGS & STRATTON GASOLINE ENGINE
SINGLE CYLINDER GASOLINE ENGINE
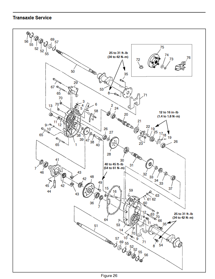
DRIVE TRAIN
ELECTRICAL SYSTEM
CHASSIS
ELECTRICAL DRAWINGS
EXTRAS INCLUDED:
GTX ELECTRIC & LITHIUM SERVICE MANUAL
OPERATOR'S MANUAL