TOYOTA AVALON 3.5L 2005-2012 WORKSHOP REPAIR SERVICE, WIRING MANUAL
⚫ Instant Download
⚫ No Physical Shipping

Guarantee safe & secure checkout

TOYOTA AVALON 3.5L 2005-2012 WORKSHOP REPAIR SERVICE, WIRING MANUAL
TOYOTA AVALON 3.5L 2005-2012 WORKSHOP REPAIR SERVICE, WIRING MANUAL
LANGUAGE: ENGLISH
FORMAT: PDF
PAGES: OVER 2,000
FILE SIZE: 164MB
ENGINE COVERED:
3.5L 2GR-FE V6 ENGINE
TRANSMISSION COVERED:
5 SPEED U151E AUTOMATIC
CONTENTS:
GENERAL INFORMATION
ENGINE MECHANICAL
AIR CONDITIONING
AUTOMATIC TRANSMISSION
AXLE
BRAKE SYSTEM
CAN COMMUNICATION SYSTEM
CHARGING SYSTEM
COOLING SYSTEM
CRUISE CONTROL
DRIVESHAFT
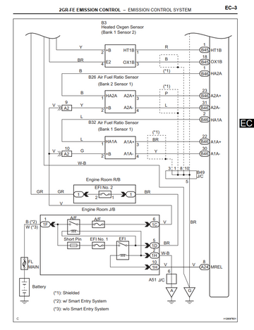
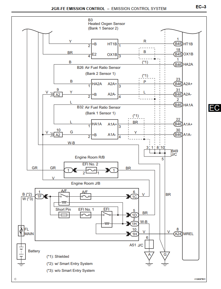
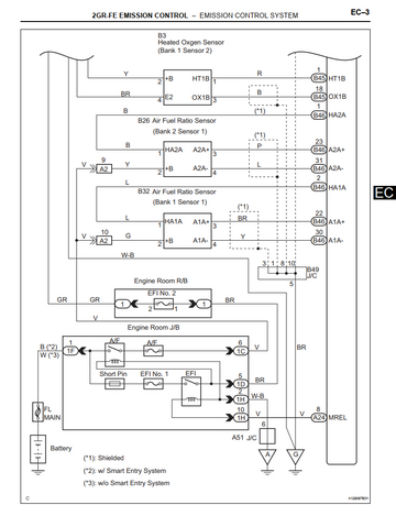
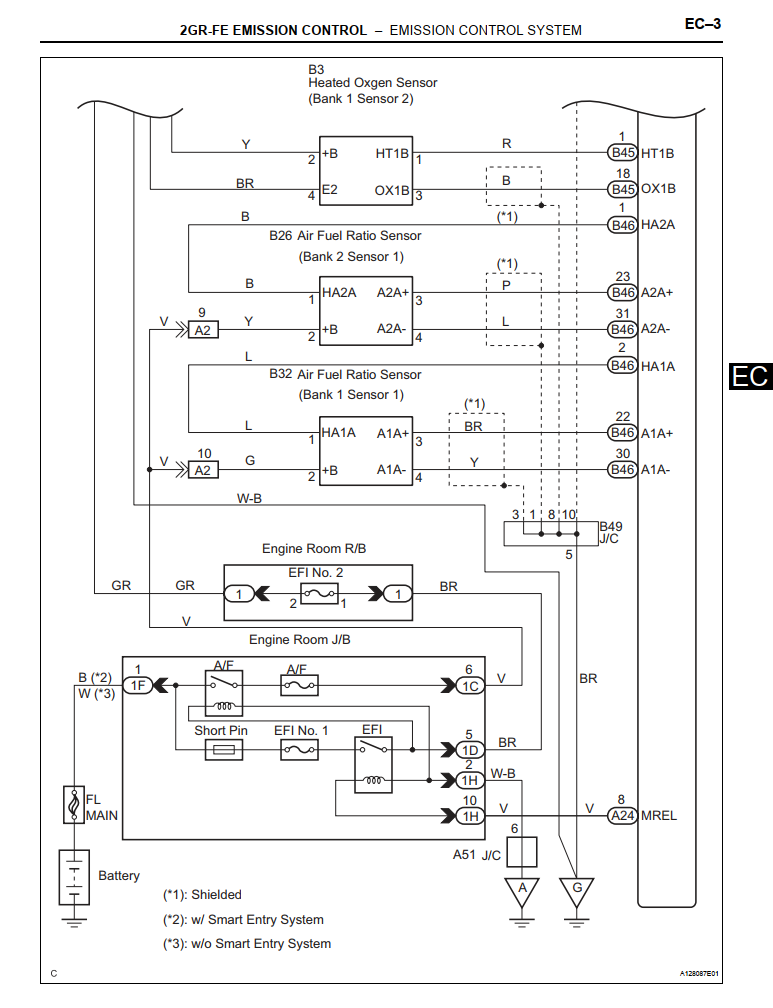
EMISSION CONTROL
ENGINE CONTROL SYSTEM
ENGINE IMMOBILIZER
EXHAUST SYSTEM
EXTERIOR AND INTERIOR
FUEL SYSTEM
IGNITION SYSTEM
INSTRUMENT PANEL
INTAKE SYSTEM
LUBRICATION SYSTEM
MAINTENANCE
MULTIPLEX COMMUNICATION
NAVIGATION SYSTEM
PARKING BRAKE
POWER STEERING
RESTRAINTS
STEERING COLUMN
STARTING SYSTEM
SUSPENSION
TIRE AND WHEEL
WIPER AND WASHER
ACCESSORIES
BODY REPAIR MANUAL
WIRING DIAGRAM