TOYOTA AVENSIS VERSO T250 SERIES 2003-2009 WORKSHOP SERVICE REPAIR MANUAL
⚫ Instant Download
⚫ No Physical Shipping

Guarantee safe & secure checkout

TOYOTA AVENSIS VERSO T250 SERIES 2003-2009 WORKSHOP SERVICE REPAIR MANUAL
TOYOTA AVENSIS VERSO T250 SERIES 2003-2009 WORKSHOP SERVICE REPAIR MANUAL
LANGUAGE: ENGLISH
FORMAT: HTML (WINDOWS COMPUTER ONLY)
COMPATIBILITY: WINDOWS 7, 8 ONLY
PAGES: UNKNOWN
FILE SIZE: 302MB
MODEL COVERED:
ZZT250, ZZT251 SERIES
AZT250, AZT251 SERIES
CDT250 SERIES
ENGINE COVERED:
2.4L 2AZ-FE DOHC VVT
2.0L 1AZ-FSE VVT-i
2.0L 1AZ-FE DOHC VVT-i
1.8L 1ZZ-FE VVT-i
1.6L 3ZZ-FE VVT-i
2.0L 1CD-FTV D-4D TURBO-DIESEL
2.4L 2AZ-FSE DOHC VVT-i DI
TRANSMISSION COVERED:
MANUAL TRANSMISSION E345,E357
MANUAL TRANSMISSION C50,C250
AUTOMATIC TRANSMISSION U341E
AUTOMATIC TRANSMISSION U241E
AUTOMATIC TRANSMISSION U151E
CONTENTS:
GENERAL INFORMATION
HOW TO USE THIS MANUAL
IDENTIFICATION INFORMATION
REPAIR INSTRUCTION
PRECAUTION
HOW TO TROUBLESHOOT ECU CONTROLLED SYSTEMS
ELECTRONIC CIRCUIT INSPECTION PROCEDURE
PREPARATION
DIAGNOSTICS
ENGINE CONTROL SYSTEM
FUEL SYSTEM
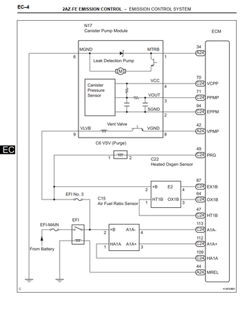
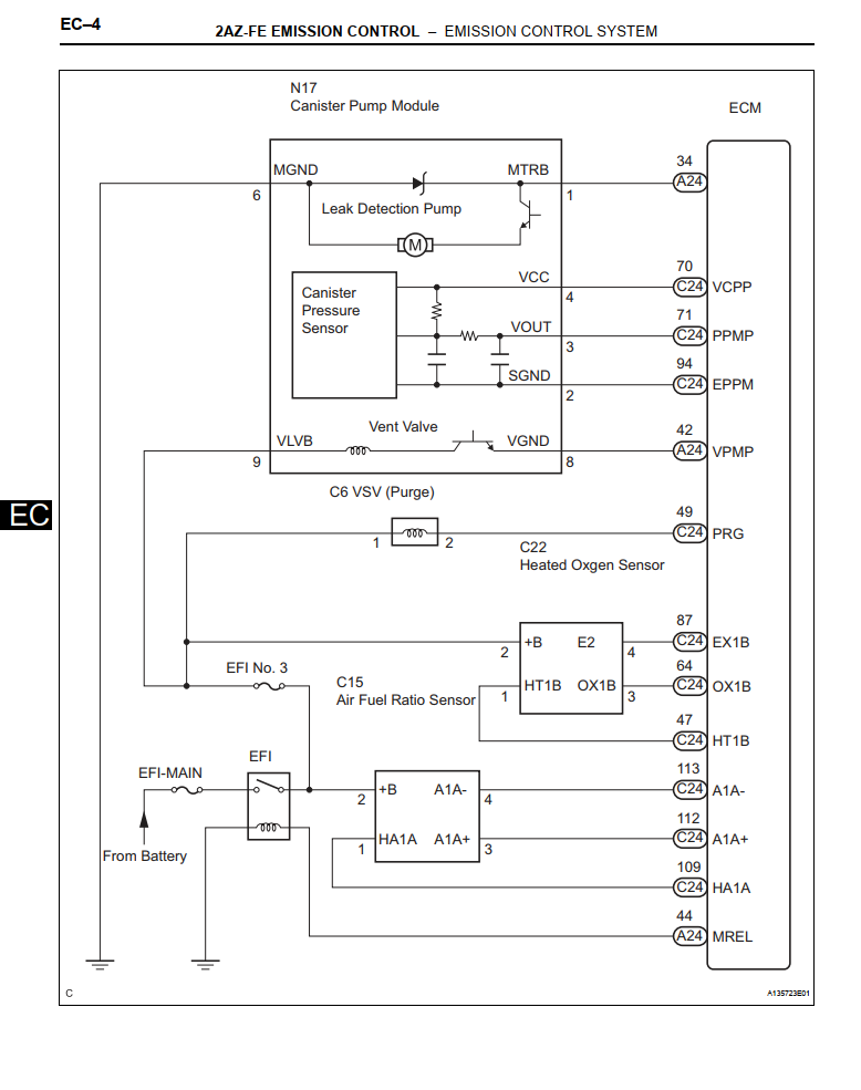
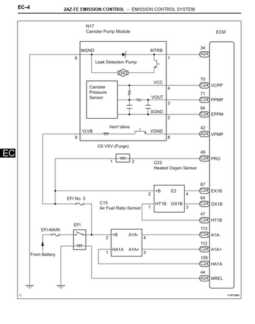
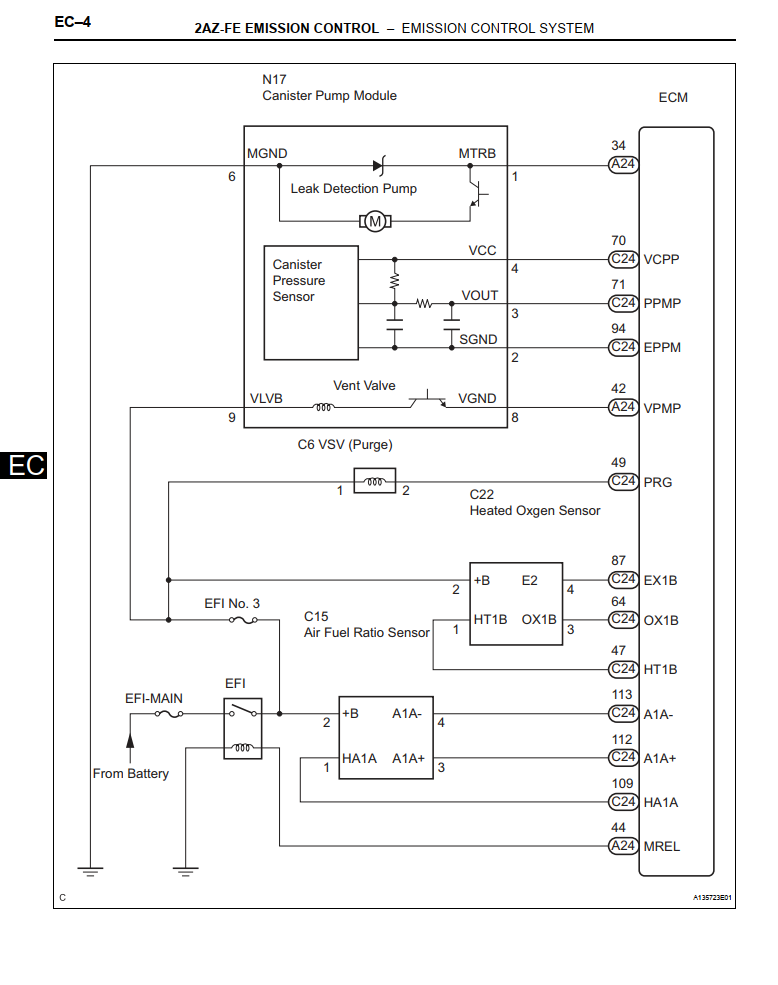
EMISSION CONTROL
INTAKE SYSTEM
ENGINE MECHANICAL
EXHAUST SYSTEM
COOLING SYSTEM
LUBRICATION SYSTEM
IGNITION SYSTEM
STARTING & CHARGING
FRONT SUSPENSION
REAR SUSPENSION
TIRE & WHEEL
DRIVE SHAFT / PROPELLER SHAFT
BRAKE SYSTEM
PARKING BRAKE
AUTOMATIC TRANSMISSION / TRANS
MANUAL TRANSMISSION / TRANSAXLE
CLUTCH SYSTEM
STEERING COLUMN
POWER STEERING
HEATER & AIR CONDITIONER
SUPPLEMENTAL RESTRAINT SYSTEM
WIPER & WASHER
AUDIO & VISUAL SYSTEM
COMMUNICATION SYSTEM
WINDSHIELD/WINDOWGLASS / MIRROR
INSTRUMENT PANEL/METER
SEAT SYSTEM
SLIDING ROOF / CONVERTIBLE
ENGINE HOOD / DOOR
EXTERIOR / INTERIOR TRIM
VEHICLE CONTROL SYSTEM
SERVICE SPECIFICATIONS
STANDARD BOLT
SEAT BELT SYSTEM
LIGHTING SYSTEM
SFI SYSTEM
HOW TO PROCEED WITH TROUBLESHOOTING