TOYOTA CELICA ST204 2.2L 1993-1999 WORKSHOP SERVICE REPAIR, WIRING MANUAL
⚫ Instant Download
⚫ No Physical Shipping

Guarantee safe & secure checkout

TOYOTA CELICA ST204 2.2L 1993-1999 WORKSHOP SERVICE REPAIR, WIRING MANUAL
TOYOTA CELICA ST204 2.2L 1993-1999 WORKSHOP SERVICE REPAIR, WIRING MANUAL
LANGUAGE: ENGLISH
FORMAT: PDF
PAGES: OVER 2,000
FILE SIZE: 96.3MB
ENGINE COVERED:
2.2L 4-CYLINDER 5S-FE ENGINE
TRANSMISSION COVERED:
AUTOMATIC TRANSMISSION A140E
AUTOMATIC TRANSMISSION A246E
MANUAL TRANSMISSION C52 & S54
CONTENTS:
GENERAL INFORMATION
PRECAUTION
ENGINE MECHANICAL
ENGINE CONTROL
ENGINE DIAGNOSTIC
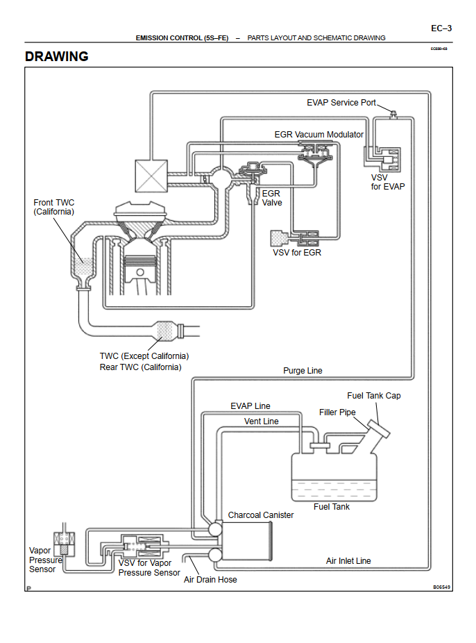
EMISSION CONTROL
COOLING SYSTEM
FUEL SYSTEM
CHARGING SYSTEM
LUBRICATION SYSTEM
IGNITION SYSTEM
STARTING SYSTEM
SFI SYSTEM
EXHAUST SYSTEM
AUDIO SYSTEM
AUTOMATIC TRANSMISSION
BRAKE SYSTEM
CLUTCH
DIFFERENTIALS
DISC AND DRUM BRAKE
DOORS LIDS HOOD TRUNK
DRIVER INFO & CONTROL
FRAME & CHASSIS
FRONT & REAR AXLE
FRONT & REAR SUSPENSION
GENERAL BODY REPAIR
GLASS & WINDOWS
HEATING & AIR CONDITIONING
LIGHT HORN MIRRORS
MANUAL TRANSMISSION
PARKING & HYDRAULIC BRAKE
SEATS & RESTRAINTS
STEERING SYSTEM
STEERING WHEEL & COLUMN
SUNROOF & CONVERTIBLES
TRANSFER CASE
TRIM AND PANELS
WHEEL AND TIRE
WHEEL DRIVE SHAFT
WIPER WASHER DEFOGGER
WIRING DIAGRAM