TOYOTA KLUGER 2.4L 3.3L 2001-2007 WORKSHOP SERVICE REPAIR, WIRING MANUAL
⚫ Instant Download
⚫ No Physical Shipping

Guarantee safe & secure checkout

TOYOTA KLUGER 2.4L 3.3L 2001-2007 WORKSHOP SERVICE REPAIR, WIRING MANUAL
TOYOTA KLUGER 2.4L 3.3L 2001-2007 WORKSHOP SERVICE REPAIR, WIRING MANUAL
LANGUAGE: ENGLISH
FORMAT: PDF
PAGES: OVER 3,000
FILE SIZE: 171MB
ENGINE COVERED:
2.4L 2AZ-FE I4 ENGINE
3.3L 3MZ-FE V6 ENGINE
CONTENTS:
INTRODUCTION
PREPARATION
SERVICE SPECIFICATIONS
DIAGNOSTICS
ENGINE CONTROL SYSTEM
FUEL
EMISSION CONTROL
INTAKE
ENGINE MECHANICAL
EXHAUST
COOLING
LUBRICATION
IGNITION
STARTING & CHARGING
FRONT SUSPENSION
REAR SUSPENSION
TIRE & WHEEL
DIFFERENTIAL
DRIVE SHAFT / PROPELLER SHAFT
TRANSFER
BRAKE
PARKING BRAKE
AUTOMATIC TRANSMISSION / TRANSAXLE
STEERING COLUMN
POWER STEERING
HEATER & AIR CONDITIONER
SUPPLEMENTAL RESTRAINT SYSTEM (SRS)
SEAT BELT
LIGHTING
WIPER & WASHER
AUDIO & VISUAL SYSTEM
COMMUNICATION SYSTEM
WINDSHIELD / WINDOW GLASS / MIRROR
INSTRUMENT PANEL / METER
SEAT
THEFT DETERRENT / DOOR LOCK
SLIDING ROOF
ENGINE HOOD / DOOR
EXTERIOR / INTERIOR TRIM
GARAGE DOOR OPENER
VEHICLE CONTROL SYSTEM
CRUISE CONTROL
MAINTENANCE
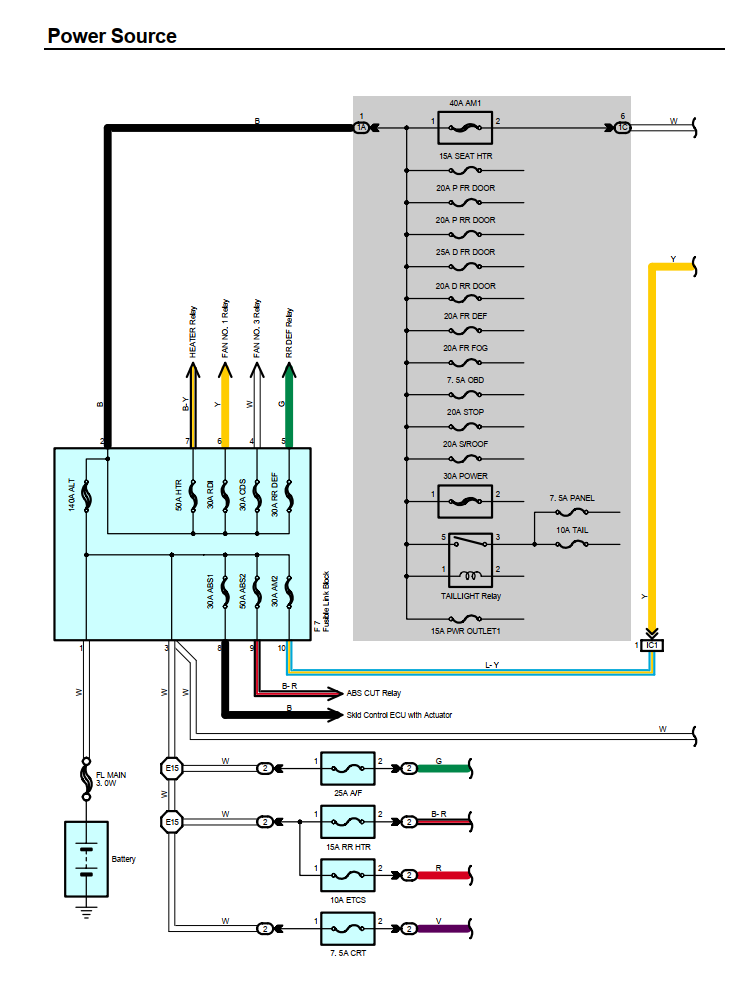
ELECTRICAL WIRING DIAGRAMS
OWNER'S MANUAL
COLLISION REPAIR MANUAL