VW VOLKSWAGEN BEETLE 1300
VW VOLKSWAGEN BEETLE 1300

VW VOLKSWAGEN BEETLE 1300 WORKSHOP SERVICE REPAIR, WIRING MANUAL

Instant Download

No Physical Shipping

Regular price $20.90
Sale price $20.90 Regular price
Unit price

Guarantee safe & secure checkout

Ask a question

Ask a Question

* Required fields

Size guide Share
VW VOLKSWAGEN BEETLE 1300

VW VOLKSWAGEN BEETLE 1300 WORKSHOP SERVICE REPAIR, WIRING MANUAL

Regular price $20.90
Sale price $20.90 Regular price
Unit price
Product description

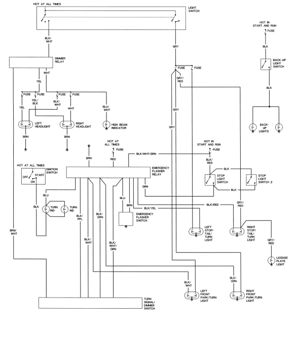
VW VOLKSWAGEN BEETLE 1300 WORKSHOP SERVICE REPAIR, WIRING MANUAL
LANGUAGE: ENGLISH
FORMAT: PDF
PAGES: OVER 1,000
FILE SIZE: 36.3MB


ENGINE COVERED:

1.3L 4-CYLINDER PETROL ASPIRATED
 

CONTENTS:

GENERAL INFORMATION

AUTOMATIC TRANSMISSION

BODY REPAIR

BRAKE SYSTEM

CHASSIS ELECTRICAL

CLUTCH SYSTEM

COOLING SYSTEM

DRIVABILITY & TROUBLESHOOTING

EMISSION CONTROL

ENGINE ELECTRICAL

ENGINE MECHANICAL

ENGINE PERFORMANCE AND TUNE-UP

ENGINE REBUILDING

EXHAUST SYSTEM

FRONT DISC BRAKE

FRONT DRUM BRAKE

FRONT SUSPENSION

FUEL SYSTEM

HYDRAULIC BRAKE

LUBRICATION SYSTEM

MAINTENANCE

MANUAL TRANSMISSION

PARKING BRAKE

PRECAUTION

REAR DRUM BRAKE REAR SUSPENSION

STEERING

VALVE SYSTEM

WIRING DIAGRAM